热门文档
- 2025-01-22 14:27:23 2025年安全生产治本攻坚阶段总结报告
- 2025-01-12 16:56:33 安全生产,人人都是主角——2025年第一季度安全生产工作部署
- 2025-02-17 14:20:05 在2025年安全生产工作部署大会上的发言——擎安全之盾,铸发展之基
- 2025-01-12 16:48:26 领导看了都忍不住赞叹的2025年安全生产工作计划
- 2025-02-24 14:43:30 在2025年第二季度安全生产工作部署会议上的讲话
- 2025-02-26 13:37:33 2025年公司第二季度安全生产工作计划
- 2025-03-03 14:32:03 习惯性违章培训(40页)
- 2025-02-13 14:08:29 在2025年上半年企业安全生产工作部署会议上的发言
- 2025-02-11 15:23:20 在2025年第一季度安全生产工作部署会议上的发言
- 2025-01-14 13:22:43 2025年安全生产工作部署计划
- 2025-11-27 21:30:13 2025年安全生产治本攻坚三年行动年度进展汇报
- 2024-12-27 16:26:14 3.2025年度安全投入安全费用使用计划
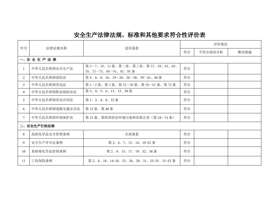
符合性评价表
/
温馨提示:安全素材网所有文档均可自由编辑,无广告,格式已整理好,下载下来稍加修改即可使用
当前页码





请如实的对该文档进行评分-
-
-
-
-
0 分